other
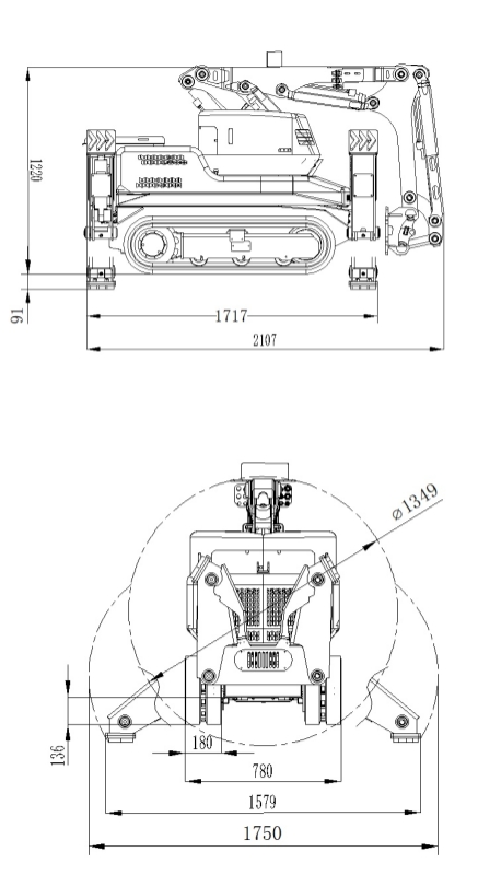
HCR120D Remote Control Construction Demolition Robot

HCR120D Remote Control Construction Demolition Robot

The Demolition Robot is a compact but powerful demolition robot in the HCR series. With higher power than HCR70D, robotic demolition machine provides strong multifunctionality even in confined spaces. The robotic demolition machine can climb stairs, enter elevators and be mounted on trucks or trailers. It is a perfect solution for emergency rescue, nuclear industry, residential and commercial building demolition and other industrial environments.  

  • Item No :

    HCR120D
  • Weight :

    1365 kg
  • Specifications :

    2121 mm*780 mm*1231 mm
  • Power :

    18.5 kW
  • Transport Package :

    Steel bracket wooden cases
  • Warranty :

    1 Year

The Hitech HCR120D robotic demolition machine provides an advanced solution for emergency response, nuclear decommissioning and building demolition. With significant advantages in mobility, adaptability and reliability, it meets increasing requirements for high-risk and heavy-duty operations. The robotic demolition machine represents the latest development of demolition robots technology.

Key Features:

 

  1. High mobility: The HCR120D robotic demolition machine can climb stairs, enter elevators and be vehicle-mounted, allowing for easy transportation and access to worksites. 
  2. High adaptability: concrete demolition robot can be equipped with a variety of attachments like hydraulic breakers, concrete crushers, and grapples to suit different needs. It provides flexible solutions for various demolition and emergency response tasks.
  3. High reliability: The HCR120D Demolition equipment adopts advanced technologies like remote control and sensor systems to ensure safe and reliable operation in hazardous environments like high temperatures, dust, and collapsible areas.

 

Main Applications:

 

1. Emergency Rescue: The HCR120D Demolition equipment can access confined and collapsed structures with its compact size and articulated legs to break walls and lift heavy objects. Remote operation helps minimize risks to rescue crews. 

2. Nuclear Decommissioning: The 120D remote demolition robot can withstand hazardous environments with high radiation levels. Remote control helps limit radiation exposure to operators.

3. Building Demolition: The construction demolition robot 120D is excellent for floor-by-floor demolition and breaking up walls. Its multi-tools allow for shearing, breaking, scooping and material handling with minimal noise and dust.



Demolition Robot HCR120Dsmart 120d demolition robotrobotic demolitionremote control demolition robot

 

Performance  
Machine weight 1350 kg
Transport speed 2.5 km/h
Slewing speed 12 s/360°
Climbing inclination, max.  30°
Track width 180 mm
Hydraulic system  
Pump type Load-sensitive axial piston variable displacement pump
Pump flow 0~60 L/min
System pressure 18 MPa
Hydraulic oil tank capacity 40 L
Dynamical System  
Drive Type/Model Motor Driven
Power/Speed 18 kW
Starting device Direct start
Control system  
Control type Portable remote control
Control mode Radio
Communication CAN bus-based digital wired bidirectional communication
Workspace Level  
Working height, max.  4400 mm
Working depth, max. 1500 mm
Working radius, max. 3700 mm

Size:

Range:

Leave a message
Thank you for visiting Hitech. For further information about our products and business, fill out and submit the form, we'll get back to you as soon as possible.
submit
Our Cases
How to Choose a Demolition Robot for Railway, Subway, and Road Tunnel Projects
How to Choose a Demolition Robot for Railway, Subway, and Road Tunnel Projects
How to Choose a Demolition Robot for Railway, Subway, and Road Tunnel Projects Choosing the right demolition robot for tunnel work is not just about buying a compact machine with enough power. Tunnel conditions vary widely between railway, subway, and road projects, and the wrong equipment choice can reduce productivity, increase downtime, and create safety issues. A practical tunnel robot selection guide should evaluate tunnel type, machine size, boom reach, power source, attachment options, and the need for multi-functionality. This article explains how to choose demolition robot for tunnel projects with a focus on railway tunnel demolition robot applications, subway tunnel demolition equipment requirements, and road tunnel construction robot selection. Why tunnel type matters first Before comparing models, contractors should understand that tunnel design and construction methods directly affect demolition robot selection. Railway tunnels Railway tunnels usually involve long linear work zones, strict schedule pressure, and limited possession windows. In rehabilitation or enlargement projects, access time may be short, so fast deployment and quick site changeover are critical. A railway tunnel demolition robot often needs solid rock breaking capacity, good reach, and reliable operation over long shifts. Subway tunnels Subway tunnel demolition equipment usually works in tighter spaces with stricter ventilation, dust, noise, and vibration control. Urban projects also tend to have more logistical constraints, including narrow shafts, transport limitations, and limited staging areas. In these jobs, a smaller demolition robot with strong maneuverability and electric or low-emission power options is often more suitable. Road tunnels A road tunnel construction robot is often used in wider tunnel sections, portal zones, maintenance shutdowns, and lining removal work. These projects may require a balance between reach, versatility, and output. Because road tunnels often involve different work fronts, site mobility and attachment change speed become important. Core selection dimensions The best demolition robot for tunneling is rarely the biggest machine. It is the machine that matches the tunnel geometry, material strength, and work cycle. 1. Machine size and transport profile Start with access constraints. Check: tunnel width and height shaft or portal transport limitations turning radius in narrow headings ability to move across uneven ground or temporary work platforms A machine that is too large may offer more power but become inefficient if it cannot enter certain sections or requires time-consuming relocation support. 2. Boom length and working envelope Boom length affects more than reach. It determines whether the robot can safely work on tunnel crowns, sidewalls, invert areas, and difficult corners without repeated repositioning. For example: short to medium boom: better for tight subway tunnel demolition equipment use medium to long boom: useful for railway tunnel demolition robot tasks where reach to the crown and sidewall matters longer boom with stable chassis: often preferred in larger road tunnel construction robot scenarios The working envelope should match actual tunnel geometry, not just maximum advertised reach. 3. Power and hydraulic performance Tunnel demolition often involves hard rock, reinforced concrete, old lining removal, and scaling loose material. That means hydraulic output and breaker performance matter. Evaluate: breaker impact energy hydraulic flow and pressure continuous operating stability cooling capacity for long shifts If the application includes only light concrete trimming, extreme power may be unnecessary. If the job includes rock breaking or heavy lining removal, underpowered equipment will quickly become a bottleneck. 4. Attachment compatibility A demolition robot becomes more valuable when it can support multiple attachments efficiently. Common tunnel attachments include: hydraulic breakers rock drills scaling tools shotcrete preparation tools buckets or mucking accessories crushers or shears for reinforced sections A good tunnel robot selection guide always asks whether the carrier can switch tools quickly and whether the hydraulic system truly supports those tools at productive levels. 5. Power supply choice Power supply is a major decision in tunnel projects. Selection factor Electric power Diesel/hybrid power Ventilation demand Lower Higher Urban subway suitability Better More restricted Long remote sections Depends on cable layout Often easier Emissions control Strong advantage Weaker Mobility flexibility Cable management required Higher mobility In subway and enclosed urban work, electric demolition robot solutions are often attractive because they reduce ventilation burden. In remote or frequently moving sites, diesel or hybrid options may still offer operational advantages. Do you need multi-functionality? Many buyers focus only on demolition, but tunnel projects often involve several adjacent tasks. That is why contractors increasingly ask whether they need drilling, shotcrete support, and rock breaking in one platform. When multi-functionality makes sense A multi-function demolition robot is valuable when: the site has frequent task changes one contractor handles several tunnel processes space is too limited for multiple dedicated machines possession windows are short and equipment count must be minimized In these cases, using one carrier for drilling, scaling, rock breaking, or preparation work can improve utilization and reduce equipment congestion. When a specialized robot is better If the project consists mainly of one repetitive heavy-duty task, such as continuous lining demolition or rock breaking, a specialized machine with optimized attachment performance may be more productive and easier to maintain. So the answer is not always “more functions are better.” The right choice depends on utilization rate, attachment change frequency, and crew skill. Budget is more than purchase price A low-price machine may become expensive if it creates downtime, requires frequent maintenance, or slows site turnover. Consider the full cost in four parts: 1. Acquisition cost Initial machine price and attachment package. 2. Operating cost Energy consumption, wear parts, tool steel, cable management, and labor. 3. Maintenance cost Access to spare parts, service response time, local technical support, and ease of routine servicing. 4. Changeover efficiency In tunnel projects, site changeover speed has real value. A robot that is easy to transport, quick to set up, and fast to switch attachments can save many productive hours over a project lifecycle. Practical comparison table Project type Typical priority Recommended focus Railway tunnel Reach, productivity, fast possession-window work Strong breaker performance, medium-long boom, reliable long-shift operation Subway tunnel Compact size, low emissions, maneuverability Smaller footprint, electric option, easy transport, low ventilation burden Road tunnel Versatility, mobility, balanced output Medium-large machine, flexible attachments, efficient site changeover Final recommendation To choose demolition robot for tunnel projects effectively, start with the tunnel environment rather than the catalog. A railway tunnel demolition robot should prioritize reach, output, and fast work cycles. Subway tunnel demolition equipment should prioritize compact dimensions, maneuverability, and controlled emissions. A road tunnel construction robot often needs the best balance of versatility and productivity. The best demolition robot for tunneling is the one that matches tunnel size, required attachments, power supply conditions, and the real pace of site changeover. A strong tunnel robot selection guide should always compare not only demolition force, but also multi-function potential, maintenance practicality, and life-cycle cost. FAQs 1. What is the most important factor when choosing a demolition robot for tunnel work? The most important factor is the actual tunnel environment, including space limits, ventilation, access route, and material hardness. Machine size and reach should be matched to the tunnel profile before considering extra features. 2. Is an electric demolition robot better for subway projects? In many cases, yes. Electric models can reduce emissions and ventilation demand, which is especially useful in enclosed urban subway environments. However, cable management and site power availability must also be considered. 3. Should I buy one multi-function machine or several dedicated machines? If your tunnel project involves frequent switching between rock breaking, drilling, and related tasks, one multi-function machine can improve efficiency and reduce congestion. If the work is highly repetitive and focused on one task, a specialized machine may deliver better output. For more tunnel demolition robot solutions and application support, visit: https://www.hcrot.com/
View more
How Demolition Robots Improve Safety and Efficiency in Tunnel Construction
How Demolition Robots Improve Safety and Efficiency in Tunnel Construction
How Demolition Robots Improve Safety and Efficiency in Tunnel Construction Tunnel construction is one of the most demanding environments in heavy industry. Crews often work in confined spaces, under unstable rock conditions, with limited visibility, airborne dust, vibration, noise, and constant equipment movement. In these conditions, a demolition robot is becoming an increasingly valuable tool. Whether used for scaling loose rock, removing damaged concrete, breaking obstructive sections, or preparing tunnel surfaces, a demolition robot for tunnel construction offers a safer and more efficient alternative to close-range manual demolition. As tunnel projects become more complex and safety standards become stricter, contractors are relying more on tunnel construction equipment that can perform high-risk tasks remotely. A tunnel demolition robot, especially a remote-controlled demolition robot, helps reduce direct worker exposure while improving precision and operational continuity. Why Tunnel Construction Relies More on Robotic Equipment Traditional demolition methods in tunnels often depend on workers operating handheld breakers or placing larger machines in tight work zones. That approach creates several limitations. Space is restricted, visibility is poor, and the risk of rockfall or concrete spalling is much higher than in open construction environments. Manual work also places operators close to unstable faces and overhead hazards. A demolition robot changes that risk profile. Because the machine is compact and remotely operated, it can enter narrow tunnel sections and perform controlled breaking or scaling without placing personnel directly at the face. This is especially useful in road tunnels, railway tunnels, subway tunnels, and utility tunnels where space and safety margins are limited. Compared with larger conventional machines, a tunnel demolition robot is better suited to work where maneuverability matters more than raw size. Compared with handheld demolition, it delivers more stable output, more consistent force, and far better operator protection. That is why many contractors now consider robotic systems a core part of safe tunnel construction equipment. Main Safety Risks in Tunnel Construction Tunnel jobs involve a combination of hazards that make traditional demolition methods less suitable. Falling Rocks and Loose Material After excavation or blasting, loose rock and unstable surfaces can remain overhead or along sidewalls. Sending workers close to those areas with manual tools increases the chance of injury. A remote-controlled demolition robot allows scaling and breaking from a safer distance. Dust and Air Quality Tunnel demolition creates high levels of dust, especially when breaking rock, concrete lining, or shotcrete. Prolonged exposure can affect visibility and respiratory safety. Robotic operation reduces the number of workers who need to stay inside the immediate dust zone. Confined Spaces Tunnel sections often limit machine access, worker movement, ventilation, and escape routes. Compact demolition robot for tunnel construction applications are designed to work efficiently in these narrow environments without requiring large operating envelopes. Close-Range Manual Labor Traditional breakers require workers to remain close to vibrating tools, unstable surfaces, and falling debris. A tunnel demolition robot removes the operator from the direct impact area, improving both immediate safety and long-term ergonomic conditions. How Demolition Robots Improve Efficiency Safety is the first reason many contractors adopt robotic systems, but efficiency gains are also significant. Continuous Operation A demolition robot can maintain consistent breaking performance over longer shifts than manual labor. Operator fatigue still matters, but the physical strain is greatly reduced because control is remote rather than tool-mounted. This supports more stable production rates. Reduced Personnel Exposure Because fewer workers need to be positioned at the tunnel face, site managers can lower congestion in hazardous zones. This helps simplify access control, improves workflow coordination, and reduces delays caused by repeated safety repositioning. Reduced Changeover Time A remote-controlled demolition robot can often move between scaling, selective breaking, surface preparation, and localized removal with less disruption than switching between manual crews and larger machines. That makes it valuable for tunnel construction tasks where space is limited and transitions are frequent. Better Precision in Tight Areas In tunnel construction, overbreak and unintended damage can create downstream costs. A demolition robot gives operators finer control in narrow or sensitive sections, especially around reinforcement areas, concrete linings, ventilation structures, and utility zones. Comparison: Traditional Demolition vs Robotic Demolition in Tunnels Factor Traditional Manual Demolition Demolition Robot Worker distance from hazard Very close Remote operation from safer distance Suitability for confined spaces Limited by worker movement and safety exposure Strong, especially with compact machines Exposure to dust and falling debris High Lower direct exposure Output consistency Dependent on worker fatigue More stable and repeatable Changeover efficiency Slower in restricted spaces Faster for multiple tunnel tasks Precision in selective demolition Moderate High Suitable Tunnel Types for Demolition Robots A demolition robot for tunnel construction is not limited to one project category. It can be used across multiple tunnel types where safety, mobility, and precise breaking are critical. Road Tunnels Road tunnel projects often involve widening, repair, lining removal, scaling, and emergency structural work. A demolition robot improves access and reduces the need for crews to stand under unsupported or damaged sections. Railway Tunnels Rail tunnels usually demand controlled work windows, strict safety management, and minimal disruption. Robotic demolition helps complete targeted tasks efficiently while keeping operators away from unstable surfaces and tight clearances. Subway Tunnels Subway environments often present dense infrastructure, constrained access, and strict vibration or structural control requirements. A tunnel demolition robot is well suited for selective demolition and refurbishment work in these sensitive conditions. Utility Tunnels Utility tunnels carrying cables, pipelines, or service systems require compact, careful equipment. A remote-controlled demolition robot provides the control needed to work safely without excessive disturbance to surrounding installations. Why Robotic Equipment Is Replacing Traditional Tunnel Demolition The shift toward robotic equipment is not just about modernization. It is about matching the machine to the environment. Tunnel construction relies on equipment that can reduce worker exposure, fit into narrow work zones, and maintain efficient performance under difficult conditions. That is exactly where efficient tunneling equipment such as a demolition robot delivers value. For contractors, the benefits are practical: fewer people in the hazard zone, better task continuity, more precise demolition, and improved compliance with modern safety expectations. For project owners, the result can be lower risk, more predictable work progress, and better control in challenging tunnel sections. FAQs 1. What is the main benefit of using a demolition robot in tunnel construction? The main benefit is improved safety. A demolition robot allows operators to perform breaking, scaling, and removal tasks from a safer distance, reducing exposure to falling rock, dust, and confined-space hazards. 2. Is a demolition robot suitable for all tunnel types? Yes, in many cases it is suitable for road tunnels, railway tunnels, subway tunnels, and utility tunnels. The specific model and attachment selection should match tunnel size, ground conditions, and the type of demolition work required. 3. Why is a remote-controlled demolition robot better than traditional manual demolition in tunnels? A remote-controlled demolition robot offers safer operation, more consistent output, better precision, and lower worker exposure. It is especially effective where manual demolition would place workers too close to unstable surfaces or airborne dust. Tunnel construction is moving toward safer, smarter, and more controlled methods. If you are evaluating advanced demolition robot solutions for tunnel construction, tunnel construction equipment, or efficient tunneling equipment, visit: https://www.hcrot.com/
View more
Demolition Robot for Cement Plant Kiln Demolition: Safer and More Precise Solutions
Demolition Robot for Cement Plant Kiln Demolition: Safer and More Precise Solutions
Demolition Robot for Cement Plant Kiln Demolition: Safer and More Precise Solutions In modern cement plants, kiln shutdowns, refractory replacement, and damaged lining removal are high-risk maintenance operations. Traditional manual demolition inside a rotary kiln exposes workers to heat, dust, falling debris, vibration, and confined-space hazards. This is why the demolition robot has become an increasingly practical solution for cement plant kiln demolition. When refractory materials must be removed quickly and precisely, a demolition robot can improve safety, reduce downtime, and deliver more controlled results than conventional methods. Why Cement Plants Need a Demolition Robot for Kiln Work A rotary kiln is one of the most critical assets in a cement plant. It operates under high temperature and heavy mechanical stress, so refractory linings inevitably wear, crack, spall, or detach over time. During shutdown maintenance, the plant must remove damaged refractory materials efficiently without causing unnecessary harm to the kiln shell or extending the outage window. This is where a demolition robot stands out. Unlike handheld breakers or labor-intensive demolition methods, a demolition robot gives operators remote control over the process. The machine can enter hazardous zones and carry hydraulic breakers or other attachments to remove refractory materials with stable force and better positioning accuracy. For cement plants, this matters in three ways: worker safety, demolition precision, and maintenance speed. Typical Demolition Scenarios in a Cement Plant A demolition robot is especially suitable for the following kiln-related applications: Removing worn refractory brick or castable inside rotary kilns Demolishing build-up, coating, or stubborn accretions near kiln inlets and outlets Breaking damaged refractory in preheater, cooler, or calciner sections Dismantling localized refractory zones during shutdown repairs Handling demolition work in dusty, hot, narrow, or difficult-to-access spaces Because cement plant environments are abrasive and operationally sensitive, using a demolition robot helps maintenance teams perform controlled demolition instead of aggressive, uneven breaking. Key Advantages of a Demolition Robot in Rotary Kiln Demolition 1. Higher Safety in Hazardous Maintenance Zones Kiln demolition is not ordinary construction demolition. Workers may face unstable refractory sections, residual heat, limited ventilation, and airborne dust. A demolition robot allows remote operation from a safer distance, reducing direct human exposure to danger. This makes the demolition robot particularly valuable when dismantling refractory materials inside a confined kiln body or near unstable lining sections. 2. More Precise Refractory Removal A cement plant does not want to damage the steel shell or nearby components during maintenance. A demolition robot offers better arm control, stable positioning, and more accurate striking than manual jackhammering in many kiln demolition tasks. That precision is useful when the goal is to remove only defective refractory materials while preserving surrounding structures. 3. Faster Shutdown Maintenance Every extra hour of kiln downtime affects production. A demolition robot can often maintain continuous work output with less operator fatigue and more consistent breaking performance. This helps reduce maintenance duration during planned shutdowns. 4. Better Adaptation to Confined and Harsh Environments Compact demolition robot models are designed to work in areas where larger machinery cannot operate effectively. In cement plants, space limitations often make this a major advantage, especially around kiln access points, cooler sections, and maintenance platforms. Demolition Robot vs Traditional Kiln Demolition Methods Factor Demolition Robot Manual Breaking / Conventional Methods Worker exposure Remote operation reduces risk High direct exposure to dust, debris, heat Precision Better control for selective removal Less consistent, more operator-dependent Productivity Stable output during long shifts Fatigue reduces efficiency Access in confined space Strong for narrow maintenance zones Often difficult and physically demanding Structural protection Lower risk with skilled operation Higher chance of uneven impact Maintenance shutdown efficiency Helps shorten outage windows Often slower in complex sections This comparison explains why the demolition robot is increasingly used for cement plant kiln demolition rather than relying only on manual labor. What to Look for in a Demolition Robot for Cement Plant Use Not every demolition robot is equally suitable for kiln demolition. Cement plants should evaluate equipment based on the actual working environment and maintenance targets. Important selection factors include: Compact dimensionsThe demolition robot must pass through plant access routes and work inside restricted zones. Adequate breaker powerIt should deliver enough impact force to remove dense refractory materials efficiently. Stable remote controlPrecise remote operation is essential for safe and controlled kiln demolition. Heat and dust toleranceA cement plant environment is harsh. The demolition robot should be designed for industrial-duty conditions. Flexible attachmentsDepending on the task, the machine may need a breaker, bucket, or scaling tool. Best Practices for Using a Demolition Robot in Kiln Refractory Removal To get the best result from a demolition robot, cement plants should combine the machine with a clear maintenance plan. First, define the exact demolition scope before shutdown. Identify which refractory zones must be removed and which areas should remain untouched. Second, ensure the kiln is properly cooled, isolated, and ventilated before work starts. Third, assign trained operators who understand both machine control and kiln structure. Finally, coordinate the demolition robot with cleanup, inspection, and refractory installation teams so the overall outage schedule remains efficient. A demolition robot is not just a machine; it works best as part of a controlled maintenance workflow. Why Precision Matters in Cement Plant Kiln Demolition In kiln maintenance, over-demolition creates extra cost. Damaging adjacent refractory, steel surfaces, or support areas can lead to more repair work and longer shutdowns. Under-demolition is also a problem because failed material left behind can affect the next refractory installation. The value of a demolition robot lies in balance. It gives operators the ability to remove damaged refractory materials more selectively, which supports better repair quality and more predictable maintenance outcomes. For cement plants under pressure to control downtime and improve worker safety, that balance is extremely important. Conclusion For rotary kiln shutdowns and refractory demolition inside a cement plant, the demolition robot offers a safer and more precise alternative to traditional methods. It reduces worker exposure to hazardous conditions, improves control during refractory removal, and helps maintenance teams complete kiln demolition more efficiently. As cement plants continue to prioritize safe maintenance and shorter outage periods, the demolition robot is becoming an essential tool for kiln demolition and refractory dismantling applications. To learn more about demolition robot solutions for cement plants and other industrial demolition scenarios, visit: https://www.hcrot.com/ FAQs 1. Why is a demolition robot suitable for cement plant kiln demolition? A demolition robot is suitable because it allows remote operation in hazardous areas, improves precision during refractory removal, and helps reduce manual exposure to dust, heat, and falling debris. 2. Can a demolition robot remove refractory materials without damaging the kiln shell? Yes, when operated correctly, a demolition robot provides controlled breaking force and better positioning, which helps remove refractory materials more selectively and lowers the risk of unnecessary structural damage. 3. Is a demolition robot only used inside rotary kilns? No. In a cement plant, a demolition robot can also be used for refractory removal in coolers, preheaters, calciners, and other industrial maintenance zones where safety, access, and precision are important.
View more
Building Demolition Method & Process
Building Demolition Method & Process
Building Demolition Method & Process Building demolition is no longer limited to brute force and uncontrolled teardown. Today, contractors use a range of methods based on structure type, surrounding environment, height, materials, safety requirements, and project timeline. As urban construction becomes denser and safety regulations become stricter, the demolition robot is becoming an important tool in modern building demolition, especially for selective, indoor, and high-risk work. This article explains the main building demolition methods, the standard demolition process, and where robotic demolition fits into safer and more efficient jobsite execution. What Is Building Demolition? Building demolition is the controlled dismantling, deconstruction, or removal of a structure in part or in full. The goal is not simply to knock down a building, but to do so safely, efficiently, and with minimal impact on workers, nearby properties, utilities, traffic, and the environment. Depending on the site, demolition may involve: Full structural removal Partial demolition for renovation or redevelopment Interior strip-out and selective removal Concrete breaking and steel cutting Hazardous material removal before teardown The chosen building demolition method depends on the building’s size, structural system, location, and access conditions. Common Building Demolition Methods 1. Manual Demolition Manual demolition uses handheld tools such as jackhammers, saws, breakers, and cutting equipment. It is common for interior work, small structures, and projects where precision matters. Best for: Interior walls and floors Small residential structures Selective removal near occupied areas Advantages: High control Suitable for confined spaces Lower risk of damaging adjacent elements Limitations: Labor-intensive Slower than mechanized methods Higher physical risk for workers 2. Mechanical Demolition Mechanical demolition uses excavators, crushers, breakers, shears, and high-reach machines. It is one of the most widely used approaches for medium and large structures. Best for: Concrete and masonry buildings Open job sites with machine access Fast structural removal Advantages: High productivity Faster project completion Effective for heavy materials Limitations: Requires access and operating space Can produce significant noise, vibration, and dust Less precise in restricted environments 3. Implosion Implosion uses carefully placed explosives to collapse a structure inward. It is highly specialized and only used when engineering, permitting, and site conditions allow. Best for: Large standalone structures Sites with a well-defined collapse zone Advantages: Extremely fast structural takedown Efficient for certain large buildings Limitations: Complex planning and approvals High public safety sensitivity Not suitable for most urban or tight-access projects 4. Deconstruction Deconstruction is the systematic disassembly of a building to recover reusable materials such as steel, wood, fixtures, and architectural components. Best for: Sustainability-focused projects Buildings with salvage value Selective or phased dismantling Advantages: Reduces landfill waste Improves material recovery Supports green building goals Limitations: Slower than conventional demolition Requires careful sorting and logistics 5. Robotic Demolition Robotic demolition uses remote-controlled machines to break concrete, remove walls, chip surfaces, and work in hazardous or hard-to-reach areas. A demolition robot is especially valuable where conventional excavators are too large or unsafe to deploy. Best for: Indoor demolition Basements, tunnels, and stairwells High-risk structural weakening zones Jobs requiring precision and reduced operator exposure Advantages: Improved worker safety through remote operation Strong power-to-size ratio Lower emissions and better suitability for indoor work, especially electric models Better precision for selective robotic demolition tasks Limitations: Not intended to replace all heavy demolition equipment Requires trained operators and attachment selection Standard Building Demolition Process A successful building demolition project follows a clear process rather than a single act of destruction. 1. Site Assessment and Engineering Review Before any demolition begins, the contractor must inspect the building and surrounding environment. This includes: Structural analysis Review of drawings and modifications Material identification Access and egress planning Evaluation of nearby roads, utilities, and occupied buildings This stage determines the safest demolition sequence and equipment plan. 2. Permits, Compliance, and Utility Disconnects Demolition cannot proceed without regulatory approval. Contractors must secure permits, coordinate with local authorities, and disconnect utilities such as electricity, gas, water, telecom, and drainage where required. Hazardous materials such as asbestos, lead-based coatings, or contaminated debris may need separate remediation before structural work starts. 3. Hazardous Material Removal and Soft Strip Before structural demolition, crews often perform a soft strip. This means removing non-structural elements such as: Doors and windows Ceilings and partitions Mechanical and electrical fixtures Insulation and interior finishes This reduces debris complexity and makes structural demolition safer. 4. Selection of Demolition Method and Equipment The demolition team then chooses the method based on the structure and site limitations. For example: Manual demolition for selective interior work Mechanical demolition for open structural teardown Robotic demolition for confined or high-risk zones Deconstruction when material recovery is a priority In many projects, multiple methods are combined. 5. Controlled Structural Demolition The building is dismantled according to a planned sequence. Load-bearing components, slabs, beams, walls, and columns must be removed in an order that prevents uncontrolled collapse. During this stage, dust suppression, exclusion zones, vibration monitoring, and debris handling must be actively managed. 6. Debris Sorting, Removal, and Recycling After the structure comes down, materials are sorted for disposal or recycling. Common streams include: Concrete Rebar and steel Wood Brick and masonry Mixed waste Efficient sorting lowers disposal costs and supports sustainability targets. 7. Final Site Clearance and Preparation The final step includes clearing remaining debris, grading the site if needed, and preparing the ground for redevelopment or new construction. Why Demolition Robots Matter in Modern Building Demolition The demolition robot is changing how contractors handle difficult environments. In traditional building demolition, workers often operate close to unstable structures, falling debris, dust, and heavy vibration. Robotic demolition reduces that direct exposure. Because these machines are compact and remote-controlled, they perform well in places where full-size excavators cannot safely enter. They are also increasingly used for: Selective concrete removal Floor-by-floor demolition Structural trimming near sensitive areas Demolition in hospitals, factories, and commercial renovations Projects requiring lower noise and zero on-site exhaust from electric machines For many contractors, robotic demolition is not a replacement for all methods, but a strategic upgrade for precision, safety, and productivity. Conclusion Choosing the right building demolition method depends on far more than speed. Safety, access, structural complexity, waste handling, and surrounding site conditions all shape the best approach. While manual, mechanical, implosion, and deconstruction methods still have their place, the demolition robot has become an increasingly practical solution for controlled building demolition and advanced robotic demolition applications. If your projects involve concrete removal, selective interior teardown, or challenging access conditions, modern demolition robotics can significantly improve safety and efficiency. To learn more about demolition robot solutions for demanding job sites, visit https://www.hcrot.com/. FAQs 1. What is the safest method for building demolition? There is no single safest method for every project. The safest option depends on the structure, surrounding environment, and risk profile. For confined spaces and high-risk interior work, a demolition robot is often safer because the operator can control the machine remotely. 2. When should contractors use robotic demolition instead of excavators? Robotic demolition is ideal when access is limited, indoor air quality matters, precision is required, or operator exposure to hazards must be reduced. Excavators remain better for large-scale open-site teardown, while robots excel in selective and controlled demolition. 3. Is building demolition environmentally friendly? It can be, if the project includes proper waste sorting, recycling, dust control, and selective deconstruction. Using efficient methods such as robotic demolition can also reduce unnecessary damage and improve material handling in certain applications.
View more
How to Clean Kiln Bricks Using Robotic Demolition Technology
How to Clean Kiln Bricks Using Robotic Demolition Technology
How to Clean Kiln Bricks Using Robotic Demolition Technology Cleaning kiln bricks is a crucial part of maintaining and operating rotary kilns, especially in industries such as cement production, metal processing, and chemical manufacturing. Over time, kiln bricks accumulate build-ups of dust, slag, and other residues that can hinder the kiln's efficiency and cause damage to the equipment. In recent years, robotic demolition technology has emerged as a valuable tool for cleaning kiln bricks, offering a safer, more efficient, and cost-effective approach compared to traditional cleaning methods. In this article, we will explore how robotic demolition machines, particularly demolition robots designed for concrete and construction applications, are used to clean rotary kilns. We will also delve into the benefits of using these advanced machines, the types of demolition robots available, and best practices for kiln maintenance. What Are Rotary Kilns? Rotary kilns are large cylindrical vessels used in various industrial processes, including the production of cement, lime, and metals. These kilns rotate slowly around a horizontal axis while being heated to high temperatures, allowing materials to undergo chemical changes. Inside the kiln, the material being processed, such as limestone or cement, interacts with heat, often at temperatures reaching over 1000°C. Over time, this intense environment causes wear and tear on the kiln's internal surfaces, including the kiln bricks that line the inside. Kiln bricks serve as an insulating layer, protecting the structure from extreme heat and preventing heat loss. However, as the kiln operates, the bricks can accumulate residues, including dust, ash, slag, and hardened material. This accumulation can create problems, such as uneven heat distribution, reduced thermal efficiency, and even structural damage to the kiln. Therefore, regular cleaning of kiln bricks is necessary to ensure the kiln’s optimal performance. Traditional Methods of Cleaning Kiln Bricks Traditionally, cleaning kiln bricks involved manual labor or mechanical scraping. Workers would enter the kiln through access hatches and physically remove build-ups using tools like hammers, chisels, or high-pressure water jets. While effective to some extent, these methods have several drawbacks, including: Safety Concerns: Kilns operate at extremely high temperatures, posing significant risks to workers who must enter the kiln to perform cleaning tasks. The presence of hazardous materials such as slag and dust further complicates the safety aspect. Inefficiency: Manual cleaning is time-consuming, and workers may not always reach difficult-to-access areas of the kiln. Wear and Tear on Equipment: The use of mechanical tools can damage the kiln bricks, potentially leading to more frequent repairs and a shortened lifespan of the kiln lining. Environmental Impact: High-pressure water jets used in cleaning can generate large amounts of wastewater, which may require treatment before disposal, adding to environmental concerns. The Rise of Robotic Demolition Technology in Kiln Cleaning In recent years, the construction and demolition industry has seen a surge in the development and adoption of robotic demolition machines. These robots are designed to perform heavy-duty tasks such as breaking up concrete, removing debris, and cleaning industrial equipment. A specialized subset of these robots, known as demolition robots, has proven to be highly effective for cleaning rotary kilns. Robotic Demolition Machines: A New Era for Kiln Cleaning Robotic demolition machines, particularly concrete demolition robots and construction demolition robots, are now being employed to clean kiln bricks in a safe, efficient, and environmentally friendly manner. These robots are equipped with various tools designed to break down build-up inside rotary kilns. They offer several advantages over traditional cleaning methods, including: Enhanced Safety: Robotic demolition machines eliminate the need for workers to enter the kiln, reducing the risk of heat exposure, toxic fumes, and physical injury. Precision and Efficiency: These robots can reach difficult-to-access areas of the kiln, ensuring thorough cleaning and minimizing the amount of time required for each cleaning session. Their precision ensures that only the necessary materials are removed, reducing the risk of damage to the kiln bricks. Environmental Benefits: Robotic demolition machines can be equipped with dust suppression systems, reducing the amount of dust generated during the cleaning process. Additionally, robots can be designed to operate with minimal water usage, making them more environmentally friendly than traditional methods. Cost-Effectiveness: While the initial investment in robotic demolition machines may be high, the long-term benefits, including reduced labor costs, increased kiln efficiency, and reduced downtime, make them a cost-effective solution. Types of Demolition Robots for Kiln Cleaning Several types of demolition robots are available for cleaning rotary kilns. These machines are designed with specific features to meet the demanding requirements of industrial kiln cleaning. Concrete Demolition Robots: These robots are equipped with powerful tools such as hydraulic hammers, crushers, and grinders, allowing them to break down hardened concrete and slag deposits inside the kiln. They are ideal for cleaning kilns that have built-up materials that are too tough for conventional cleaning methods. Mini Demolition Robots: These robots are compact and highly maneuverable, making them ideal for working in confined spaces such as inside a rotary kiln. They are equipped with high-performance demolition tools that allow them to clean the kiln bricks effectively without causing damage. Robotic Scrapers: Some robotic demolition machines are specifically designed with scraping tools that can remove softer build-up, such as ash or dust, from kiln bricks. These machines are often used in combination with other types of robots to ensure thorough cleaning. Robotic Water Blasters: For more delicate cleaning tasks, water-blasting robots can be used. These robots are equipped with high-pressure water jets that can effectively remove soft residues without causing damage to the kiln lining. How Robotic Demolition Machines Clean Kiln Bricks The process of cleaning kiln bricks with robotic demolition machines involves several steps: Preparation: Before deploying the robotic demolition machine, the kiln must be cooled down to a safe operating temperature. Any residual material inside the kiln is also assessed to determine the best cleaning method. Robot Deployment: The robot is introduced into the kiln through an access hatch or maintenance door. Depending on the size of the kiln and the type of robot, the machine may be remotely controlled or operate autonomously. Cleaning Process: The robot uses its specialized tools to break down and remove the accumulated materials. For tough build-up, demolition robots equipped with hydraulic hammers or grinders are employed. For softer residues, robotic scrapers or water-blasting machines may be used. Inspection and Monitoring: During the cleaning process, sensors and cameras on the robot can monitor the condition of the kiln lining. This real-time data allows operators to adjust the cleaning process if necessary and ensure that no damage is done to the bricks. Post-Cleaning: Once the cleaning is complete, the kiln is inspected for any remaining residues or damage. If necessary, further cleaning or repairs are carried out before the kiln is put back into operation. Best Practices for Using Robotic Demolition Machines in Kiln Cleaning To ensure the longevity and efficiency of both the robotic machines and the rotary kiln, here are some best practices to follow: Routine Maintenance: Regular maintenance of the robotic demolition machine is essential to ensure optimal performance. This includes checking the hydraulic systems, replacing worn-out parts, and ensuring that the robot's sensors and cameras are functioning properly. Proper Training: Operators must be adequately trained in the use of robotic demolition machines. This includes understanding the specific needs of the kiln being cleaned, as well as how to safely operate the machine and troubleshoot any issues that may arise. Monitor Kiln Conditions: Before deploying the robot, ensure that the kiln is properly cooled and that the build-up inside is fully assessed. Different types of residues require different cleaning techniques, so it is essential to choose the appropriate robot and tools for the job. Use Appropriate Cleaning Tools: Depending on the type of residue (e.g., concrete, ash, or slag), select the correct robot and tool. For example, concrete demolition robots are best suited for removing hardened slag, while water-blasting robots work well for softer residues. Safety Protocols: Always follow safety protocols when working with robotic demolition machines. Even though the robots reduce the need for human intervention inside the kiln, proper safety measures must still be in place. FAQs What are the advantages of using a demolition robot for kiln cleaning?Demolition robots offer improved safety, precision, and efficiency compared to traditional cleaning methods. They eliminate the need for human workers to enter the kiln, reducing the risk of injury and exposure to hazardous conditions. Additionally, they are more efficient, reducing downtime and improving overall kiln performance. How long does it take to clean a rotary kiln using a demolition robot?The time required to clean a rotary kiln depends on the size of the kiln, the amount of build-up, and the type of demolition robot being used. However, robotic cleaning is generally much faster than traditional methods, as robots can work continuously without breaks and reach areas that are difficult for humans to access. Can robotic demolition machines be used for other industrial cleaning tasks?Yes, robotic demolition machines are versatile and can be used for a wide range of industrial cleaning tasks, including concrete demolition, debris removal, and surface preparation. They are commonly used in industries such as construction, mining, and cement production.
View more
Hitech successfully delivered Ecuador copper mine rockbreaker boom system overseas
Hitech successfully delivered Ecuador copper mine rockbreaker boom system overseas
Hitech successfully delivered Ecuador copper mine Rockbreaker Boom System overseas In a significant milestone for its global expansion, Hitech has successfully delivered and installed its largest specification Rockbreaker Boom System at the largest copper mine in Ecuador. This critical piece of equipment is now fully operational and actively contributing to the mine's primary breaking applications, enhancing efficiency and safety at the site. The deployment of Hitech's robust Rockbreaker Boom System underscores its vital role in demanding copper mining operations. Designed for high productivity in abrasive mining environments, the system provides powerful, remote-controlled rock breaking capabilities essential for clearing oversize material from crushers, drawpoints, and ore passes, ensuring smooth downstream processing of copper ore. This overseas project exemplifies Hitech's unwavering commitment to professional execution and customer support. To guarantee a flawless installation and immediate operational readiness, Hitech dispatched its highly skilled after-sales engineers directly to the remote mine site. They provided comprehensive on-site guidance and supervision throughout the installation and commissioning process, meticulously ensuring every component was integrated and calibrated to exacting standards. The dedication to excellence paid off. The mine operator expressed profound satisfaction with both the superior performance of the Hitech Rockbreaker Boom System and the exceptional service delivered by the Hitech team. "The seamless installation guided by Hitech's engineers and the immediate impact of the boom system's robust design on our primary breaking efficiency have been impressive," commented a senior representative from the mine operator. "Their professionalism and technical expertise significantly contributed to the project's success." This successful delivery marks a major achievement for Hitech's international strategy. It not only strengthens the company's foothold in the strategically important South American mining market but also powerfully demonstrates the global applicability and reliability of Hitech's Rockbreaker Boom Systems in world-class copper mining operations. The project stands as a testament to Hitech's capability to execute complex, large-scale equipment deliveries anywhere in the world, backed by unparalleled customer support. Experience the Hitech difference in heavy-duty mining solutions. Explore our range of Rockbreaker Boom Systems: https://www.hcrot.com/rockbreaker-boom-system
View more
What Breakers for the Quarry?
What Breakers for the Quarry?
What Breakers for the Quarry? When it comes to efficient, safe, and reliable quarry operations, the Rockbreaker Boom System is an essential piece of equipment. Whether you are managing a large-scale aggregate quarry or a smaller mining operation, the need to break oversized rocks, manage blockages, and maintain workflow is universal. This comprehensive guide will explore the importance of Rockbreaker Boom Systems, their relationship to Pedestal Boom System and Stationary Rock Breaker technologies, and help you answer the question, “What breakers for the quarry?” with confidence and clarity. Understanding the Rockbreaker Boom System The Rockbreaker Boom System is a hydraulically operated mechanical arm fitted with a breaker tool. Its primary purpose is to manage oversized boulders and obstructions at crushing and grizzly stations, preventing blockages and minimizing downtime. Unlike mobile equipment, the Rockbreaker Boom System is fixed in one location, often mounted on a pedestal, making it a robust, reliable, and low-maintenance solution for continuous operations. Core Components Boom Arm: A robust, articulated structure that positions the breaker tool. Hydraulic Breaker: The main tool for breaking rocks, powered by high-pressure hydraulics. Pedestal Mount: A stationary base, ensuring stability and precision during operation. Control System: Allows for remote or manual control, ensuring operator safety and precision. Why Choose a Rockbreaker Boom System for Your Quarry? Quarry operations are demanding, requiring equipment that can handle tough conditions and deliver consistent results. Here’s why the Rockbreaker Boom System stands out: Continuous Operation: Reduces crusher blockages and maintains workflow. Operator Safety: Remote control capability protects workers from dangerous areas. Low Maintenance: Stationary design minimizes moving parts and wear. Cost Efficiency: Decreases downtime and the need for costly manual intervention. The Relationship Between Rockbreaker Boom System, Pedestal Boom System, and Stationary Rock Breaker While the terms are often used interchangeably, there are subtle differences and relationships among the Rockbreaker Boom System, Pedestal Boom System, and Stationary Rock Breaker: Rockbreaker Boom System: The overarching system, encompassing the boom, hydraulic breaker, and controls. Pedestal Boom System: Refers specifically to the mounting method, emphasizing stability with a fixed pedestal base. Stationary Rock Breaker: Emphasizes the fixed location—these breakers are not mobile, but permanently installed at key points in the quarry. In essence, a Rockbreaker Boom System is often a Pedestal Boom System and always functions as a Stationary Rock Breaker in quarry applications. Understanding these relationships helps you specify the right solution for your needs. Types of Breakers for Quarry Applications Not all breakers are created equal, and selecting the right type is critical for productivity, efficiency, and safety. Here are the main categories: 1. Hydraulic Breakers Hydraulic breakers are the industry standard for quarries. They use hydraulic power to drive a chisel or hammer into rocks, breaking them efficiently. These are the breakers most commonly paired with the Rockbreaker Boom System. Key Benefits: High impact energy Precision control Ability to handle a wide range of rock hardness 2. Pneumatic Breakers Used less frequently in quarries, pneumatic breakers rely on compressed air. They are less powerful than hydraulic models but can be suitable for specific, smaller-scale applications. Key Benefits: Simpler maintenance Lower initial cost 3. Electric Breakers Emerging as a solution in sites with environmental restrictions or where hydraulic systems are impractical, electric breakers offer a quieter and cleaner alternative. Key Benefits: Reduced emissions Lower noise levels 4. Mechanical Breakers While largely obsolete in modern quarry operations, mechanical breakers use levers and cams. They are rarely used today due to their inefficiency and maintenance challenges. How to Choose the Right Rockbreaker Boom System When determining “What breakers for the quarry?” several critical factors must be considered: 1. Rock Hardness and Size The primary determinant of breaker selection is the type and size of rock being processed. Harder, larger rocks require more powerful hydraulic breakers and sturdier boom systems. 2. Crusher Type and Throughput The size and type of your primary crusher influence the specifications required for your Rockbreaker Boom System. Higher throughput crushers need faster, more powerful systems to keep up. 3. Reach and Coverage The boom’s reach must be sufficient to cover the entire feed area, including grizzly bars and hopper openings. This ensures comprehensive coverage and eliminates the risk of unbroken oversized rocks. 4. Installation Environment Space constraints, structural support, and operator access must all be evaluated to choose the optimal Pedestal Boom System. 5. Safety and Controls Modern systems come equipped with advanced control panels, remote operation, and safety interlocks. Investing in these features enhances operator safety and system efficiency. Installation and Maintenance Considerations Installing a Stationary Rock Breaker involves careful planning and engineering. The pedestal must be anchored securely, and the system must be positioned for maximum efficiency. Regular maintenance includes: Lubricating pivot points Checking hydraulic fluid levels Inspecting hoses and connections Replacing worn chisels and breaker tips Routine maintenance ensures your Rockbreaker Boom System delivers years of reliable service. Advancements in Rockbreaker Boom System Technology Modern Pedestal Boom System designs incorporate advanced materials for strength and durability, as well as smart controls for precision operation. Some of the latest features include: Automated Positioning: Enhances speed and accuracy, reducing operator fatigue. Tele-Operation: Allows remote control from a safe distance. Condition Monitoring: Sensors track system health, predicting maintenance needs before failures occur. These advancements minimize downtime, improve safety, and boost overall productivity. The Economic Impact of the Right Breaker Investing in the correct Rockbreaker Boom System or Pedestal Boom System pays off in several ways: Reduced Downtime: Minimizing crusher blockages keeps material flowing. Lower Operational Costs: Less manual intervention means lower labor costs. Extended Equipment Life: Preventing jams and overloads reduces wear on crushers and conveyors. Environmental and Safety Benefits The Stationary Rock Breaker is a safer and cleaner alternative to mobile equipment. With remote operation and fixed positioning, worker exposure to dangerous areas is minimized. Additionally, modern systems are designed for energy efficiency and reduced environmental impact. By understanding the strengths and proper selection of the Rockbreaker Boom System, along with its integration as a Pedestal Boom System and Stationary Rock Breaker, quarry operators can answer the question, “What breakers for the quarry?” with a solution that maximizes productivity, safety, and long-term value.
View more
What Machine is Used to Make Underground Tunnels?
What Machine is Used to Make Underground Tunnels?
What Machine is Used to Make Underground Tunnels? The creation of underground tunnels – arteries for transport, utilities, and exploration – is a marvel of modern engineering. When picturing the machines responsible for burrowing through rock and soil deep beneath our feet, colossal Tunnel Boring Machines (TBMs) often dominate the imagination. While these mechanical behemoths are indeed the primary workhorses for large-scale tunnel excavation, the reality of tunnel construction involves a sophisticated ecosystem of specialized equipment. Among these, the versatile demolition robot plays an increasingly critical, though sometimes understated, role, particularly in precision tasks and challenging environments where brute force isn't enough. The Undisputed Kings: Tunnel Boring Machines (TBMs) The answer to the titular question, for most major projects, is unequivocally the Tunnel Boring Machine. TBMs are engineering masterpieces designed for continuous, efficient, and relatively safe excavation in a wide range of ground conditions, from soft clay to hard rock. How They Work: A TBM is essentially a mobile factory. At its cutting face, a rotating cutterhead, equipped with disc cutters (for rock) or cutting tools (for soil), chips away at the tunnel face. The excavated material (muck) is transported back through the machine via a conveyor system. Simultaneously, behind the cutterhead, the machine erects pre-cast concrete segments to form the tunnel lining, creating a stable structure immediately. Types of TBMs: Earth Pressure Balance Machines (EPBMs): Ideal for soft ground (clay, silt, sand). They use the excavated material itself, mixed with additives, to create a pressurized slurry at the face, balancing the earth pressure and preventing collapse. Slurry Shield TBMs: Used in unstable ground, especially below the water table. They use a pressurized mixture of bentonite clay and water to support the tunnel face. The excavated material is mixed with this slurry and pumped to the surface for separation. Hard Rock TBMs (Gripper TBMs): Designed for stable rock formations. They use grippers that brace against the tunnel walls to propel the machine forward. Disc cutters fracture the rock. Dual Mode TBMs: Hybrid machines capable of switching between EPB and Slurry modes, or handling mixed ground conditions (rock and soil). Advantages: High production rates, increased safety (minimizing worker exposure at the face), reduced ground settlement (critical in urban areas), and the ability to install the final lining concurrently. Beyond the Bore: The Supporting Cast in Tunnel Construction While the TBM does the primary excavation, tunnel construction is a complex symphony requiring numerous supporting machines: Roadheaders: These are track-mounted or boom-mounted machines with a powerful cutting head (often a rotating drum with picks). They are highly maneuverable and excellent for smaller tunnels, irregular shapes, cross-passages, station caverns, or hard rock where a full-face TBM isn't feasible or economical. They excel at selective excavation. Drill and Blast Equipment: The traditional method, still vital for hard rock tunnels, particularly in remote areas or complex geologies. Involves drilling precise blast holes, loading explosives, detonating, and then removing the fragmented rock (mucking) using loaders and dump trucks. Microtunneling Machines: Remote-controlled, guided boring machines used for installing pipelines and small-diameter tunnels (typically 0.6m to 3m). They are launched from a pit, excavate the ground (often using a cutterhead and slurry system), and install pipe segments behind them as they advance. Mucking Equipment: Crucial for removing excavated material. This includes conveyor systems (integral to TBMs), muck cars pulled by locomotives, shuttle cars, and heavy-duty dump trucks for drill-and-blast operations. Lining Equipment: Besides the TBM's segment erector, this includes concrete spraying machines (shotcrete) for initial ground support in drill-and-blast tunnels or roadheader drives, and equipment for installing rock bolts and steel arches. Where the Demolition Robot Excels: Precision in the Depths This is where the demolition robot steps into the spotlight within the tunnel construction ecosystem. While not an excavation machine per se, its role is indispensable for specific, high-precision tasks that larger machinery simply cannot handle effectively or safely: Breaking Obstacles: TBMs can encounter unexpected obstacles – old foundations, boulders, or sections of exceptionally hard rock that challenge even disc cutters. Sending workers to manually break these with jackhammers is dangerous and slow. A demolition robot, equipped with a hydraulic breaker or crusher attachment, can be remotely operated to safely and efficiently break apart these obstacles directly at the tunnel face or within the TBM chamber. Precision Shaping & Scaling: After primary excavation (by TBM, roadheader, or blast), tunnel walls often require profiling and scaling – removing loose rock or overbreak to achieve the precise final profile needed for lining installation. Demolition robots, with their articulated booms and various attachments (breakers, crushers, buckets), offer unparalleled precision for this delicate work, minimizing damage to the surrounding rock mass. Creating Openings and Cross-Passages: Excavating niches, cross-passages between tunnels, station entrances, or ventilation shafts off the main tunnel bore requires precision. Demolition robots are maneuverable enough to access these confined areas and perform controlled demolition and excavation without the vibration and overbreak risks associated with larger machinery or uncontrolled blasting. Concrete Demolition & Rehabilitation: During tunnel maintenance, repair, or enlargement, sections of existing concrete lining may need removal. Demolition robots are perfect for this selective demolition, minimizing disruption and vibration to the surrounding structure. Safety in Hazardous Zones: Working in confined spaces, near unstable ground, or after a TBM stoppage due to obstacles presents significant risks. Remote operation of a demolition robot keeps personnel out of harm's way, enhancing overall site safety. Why Demolition Robots are Gaining Ground in Tunneling: Enhanced Safety: Remote operation drastically reduces worker exposure to falling debris, dust, noise, and potential collapses at the tunnel face. Unmatched Precision: Articulated arms allow for highly controlled breaking in tight spaces and complex geometries. Reduced Vibration: Compared to large excavators using breakers, modern demolition robots generate significantly less vibration. This is crucial in urban environments to protect surface structures and existing underground infrastructure. Increased Efficiency: Faster obstacle removal and precision work compared to manual methods minimize costly delays to the primary excavation process. Versatility: A single demolition robot base unit can utilize multiple attachments (breakers, crushers, buckets, drills, scalers), making it adaptable to various tasks throughout the project lifecycle. The Future of Tunnel Construction Machinery Tunnel construction continues to evolve, driven by demands for safety, speed, cost-efficiency, and minimal environmental/social impact. TBMs are becoming more sophisticated, with advanced guidance systems, ground conditioning capabilities, and remote monitoring. Automation is increasing, from automated muck trains to robotic systems for segment handling and grouting. The role of the demolition robot is also set to expand. Integration with real-time scanning (LiDAR) for precise mapping of surfaces to be broken, enhanced remote control systems with better situational awareness, and even semi-autonomous operation for repetitive tasks are on the horizon. Their ability to perform dangerous, precise work makes them an increasingly vital tool in the tunnel builder's arsenal. Conclusion So, what machine is used to make underground tunnels? The dominant answer remains the Tunnel Boring Machine, a triumph of engineering enabling the creation of vast subterranean networks. However, tunnel construction is a complex ballet, and the demolition robot has secured a starring role as the agile, precise, and safe solution for the intricate tasks that lie beyond the main bore. From clearing unexpected obstacles and profiling rough walls to creating vital connections and enabling safe repairs, these remotely operated powerhouses are proving indispensable allies to the titanic TBMs, ensuring that the challenging work of building beneath our world continues to advance with greater efficiency and safety than ever before. FAQs: Machines for Underground Tunnels & Demolition Robots Q: Is a demolition robot the main machine for digging large tunnels?A: No. Large tunnels are primarily excavated by Tunnel Boring Machines (TBMs) or, in hard rock, sometimes by drill-and-blast methods or roadheaders. Demolition robots are used for specialized, precise tasks within the tunnel construction process, like breaking obstacles, scaling walls, or excavating cross-passages. Q: What are the biggest advantages of using a demolition robot in a tunnel?A: The key advantages are enhanced safety (remote operation keeps workers out of hazardous zones), superior precision (articulated arms for controlled work in tight spaces), and reduced vibration (crucial for protecting nearby structures and infrastructure). Q: Can demolition robots work in very small tunnels?A: Yes, a major strength of demolition robots is their compact size and maneuverability. They are specifically designed to operate effectively in confined spaces, making them ideal for smaller tunnels, cross-passages, niches, and repair work where larger equipment cannot fit. Q: What attachments do demolition robots use in tunnels?A: Common attachments include hydraulic breakers (hammers) for fracturing hard material, crushers for pulverizing concrete or rock, buckets for light excavation and mucking, and sometimes specialized scalers or drills. The attachment is chosen based on the specific task. Q: Are demolition robots replacing human workers in tunnels?A: Not replacing entirely, but significantly augmenting and making work safer. They take over the most dangerous tasks (like working at an unstable face or breaking obstacles near the cutterhead). Humans remain essential for operating, supervising, and maintaining the robots, as well as performing numerous other complex tasks throughout the construction process. Their use represents a shift towards safer and more efficient practices.
View more
Why Choose Demolition Robots for Construction Demolition?
Why Choose Demolition Robots for Construction Demolition?
Why Choose Demolition Robots for Construction Demolition? In construction demolition operations, selecting the appropriate demolition method is directly related to personnel safety, construction efficiency, and environmental impact. So, why should demolition robots be prioritized in the field of construction demolition? Traditional manual demolition is not only inefficient but also faces significant safety risks. When construction workers work at heights or demolish solid constructions, they may encounter dangers such as falls and being hit by objects at any time. At the same time, the dust and noise pollution generated by manual demolition seriously affect the surrounding environment and residents' lives.Mechanical forced demolition has poor operational accuracy and is prone to excessive damage to surrounding constructions. Its environmental adaptability is limited, making it difficult to operate in complex scenarios such as basements and narrow spaces; the bulky body and limited movement of the mechanical arm, as well as the operation relying on manual experience with insufficient safety protection, all bring problems. Operators need to control it at close range, facing the risk of falling components and wall collapse, which may easily lead to safety accidents. Demolition robots can effectively avoid the problems of traditional manual demolition, such as low efficiency, high risk, and heavy pollution, as well as the problems of mechanical forced demolition, such as poor accuracy, limited adaptability, and insufficient protection. With high precision, strong adaptability, and reliable safety guarantees, they have become the ideal choice in the field of construction demolition.Safety GuaranteeDemolition robots are equipped with advanced remote control systems, allowing operators to control the operation from a safe area. This avoids direct exposure to dangerous environments and gets rid of the risks of falling components, wall collapse, and flying debris at close range, providing a reliable safety barrier for construction workers.Operational EfficiencyThe high-frequency and high-impact operation mode of demolition robots can quickly break various building materials. The unique three-section arm system provides excellent flexibility and operating range. Whether it is demolishing walls, floors, or handling complex structural projects, it can provide the power and precision required to complete the work efficiently.Environmental PerformanceDemolition robots enable construction to be carried out with no vibration, low noise, no exhaust gas, and no dust, minimizing the impact on the surrounding environment. Electric operation has no exhaust emissions. Compared with traditional equipment such as pneumatic picks and excavators, it can significantly reduce dust and vibration, and is especially suitable for urban environments, areas near residential areas, and other scenarios with strict control over noise and environmental protection.Multi-Attachment AdaptabilityThere are various types of construction renovation and demolition, including the demolition of reinforced concrete beams and columns, building storey reduction, and indoor renovation. Through modular attachment interfaces, demolition robots can quickly replace various attachments such as concrete hydraulic shears, steel shears, milling heads, and buckets in a short time. They can be flexibly customized according to different operational needs, greatly enhancing the versatility and adaptability of the equipment.Flexible AccessibilityDemolition robots have a compact body and can operate in areas that most traditional demolition equipment cannot reach. They can easily climb over ruins and climb stairs. With light weight and small size, they can be transported between floors via standard elevators, providing extremely high operational flexibility for multi-storey construction projects and showing super strong adaptability in complex demolition scenarios.In the future, the position of demolition robots in the field of construction demolition will become more core. In addition to existing conventional construction demolition, demolition robots will also play an important role in the demolition of special environments, such as the decommissioning and demolition of nuclear power plants, the demolition of chemical facilities, and other fields with extremely high requirements for safety and environmental protection. Moreover, with the development of construction industrialization, the demand for precise demolition of prefabricated components will increase. Demolition robots, relying on their high-precision operation capabilities, will become the preferred equipment for such operations.It is foreseeable that demolition robots will not only become the mainstream equipment in the construction demolition industry but also promote the entire industry to transform towards intelligence, greenization, and safety. They will become an indispensable key force in the process of urban renewal and construction renovation, reshaping the operation mode and development pattern of the construction demolition field.
View more
What is Demolition in Construction?
What is Demolition in Construction?
What is Demolition in Construction? Demolition is a critical process within the construction industry, serving as the foundation for clearing old structures to pave the way for new developments. It involves the systematic dismantling, destruction, or removal of buildings, bridges, or other structures that are no longer safe, functional, or desirable. In this article, we’ll explore what demolition in construction entails, the role of demolition robots, and the methods and technologies shaping this essential sector. Understanding Demolition in Construction Demolition in construction refers to the process of tearing down or removing structures, either partially or entirely, using various tools, machinery, and methods. Unlike deconstruction, which aims to carefully dismantle structures for material reuse, demolition focuses on the efficient destruction of buildings to clear space for new projects. It’s a complex task that requires precision, planning, and adherence to safety and environmental regulations. The construction demolition process is often necessary for urban redevelopment, infrastructure upgrades, or site preparation. Whether it’s removing an outdated skyscraper or demolishing a small residential building, demolition ensures that construction sites are ready for the next phase of development. Types of Construction Demolition There are several types of demolition in construction, each suited to specific project requirements: Selective DemolitionThis involves removing specific parts of a structure, such as walls, floors, or roofs, while preserving the rest of the building. Selective demolition is often used in renovation projects where only certain areas need to be updated or rebuilt. ImplosionImplosion is a highly specialized demolition technique where explosives are strategically placed within a structure to bring it down in a controlled manner. This method is commonly used for large buildings like stadiums or high-rises. Mechanical DemolitionIn mechanical demolition, heavy equipment such as excavators, bulldozers, and wrecking balls are used to tear down structures. This method is highly efficient and widely used for demolishing medium to large buildings. Manual DemolitionManual demolition involves using hand tools such as hammers and crowbars to dismantle smaller structures or specific sections of a building. It’s often employed in cases where precision is critical. DeconstructionWhile technically a form of demolition, deconstruction focuses on salvaging materials like wood, concrete, and steel for reuse. This sustainable approach minimizes waste and reduces the environmental impact of construction projects. The Role of Demolition Robots in Modern Construction In recent years, demolition robots have revolutionized the construction demolition industry. These advanced machines are designed to perform precise and efficient demolition tasks in environments that are hazardous or difficult for humans to access. What Are Demolition Robots? Demolition robots are remote-controlled machines equipped with advanced tools like hydraulic breakers, crushers, and shears. They are smaller and more maneuverable than traditional construction equipment, making them ideal for confined spaces or projects requiring high precision. Benefits of Using Demolition Robots Safety: Demolition robots reduce the risk of accidents and injuries by allowing operators to control the machines from a safe distance, away from falling debris or hazardous materials. Efficiency: These robots are faster and more accurate than manual labor, completing tasks in a fraction of the time. Versatility: Demolition robots can be equipped with various attachments to handle a wide range of tasks, from concrete crushing to steel cutting. Reduced Noise and Vibration: Unlike traditional methods, demolition robots operate with minimal noise and vibration, making them suitable for projects in urban or sensitive environments. Environmental Impact: By enabling precise demolition, these robots minimize waste and allow for better material recycling. Applications of Demolition Robots Demolition robots are widely used in construction projects, including: Building Renovations: Removing specific sections of a building without damaging the entire structure. Industrial Sites: Demolishing outdated machinery or facilities in factories and warehouses. Hazardous Environments: Working in areas with asbestos, chemicals, or other dangerous materials. Underground Demolition: Clearing tunnels, basements, or other confined spaces. The Construction Demolition Process The demolition process involves several critical steps to ensure safety, efficiency, and compliance with regulations: 1. Planning and Permits Before demolition begins, a detailed plan is created outlining the scope of work, methods to be used, and safety measures. Permits must be obtained from local authorities to ensure the project complies with zoning laws and environmental standards. 2. Site Preparation The site is cleared of any hazardous materials, such as asbestos or lead, and utilities like electricity, gas, and water are disconnected. Surrounding areas are secured to prevent unauthorized access and protect nearby structures. 3. Demolition Execution Depending on the project, selective, mechanical, or robotic demolition methods are employed. The process is carefully monitored to ensure safety and accuracy. 4. Waste Management Debris and rubble are collected, sorted, and transported to recycling facilities or landfills. Sustainable practices, such as salvaging reusable materials, are prioritized to reduce environmental impact. Challenges in Construction Demolition Despite its importance, demolition in construction comes with several challenges: Safety Risks: Falling debris, structural instability, and exposure to hazardous materials pose significant risks to workers and bystanders. Environmental Concerns: Construction demolition generates large amounts of waste and dust, which can harm the environment if not properly managed. Cost: Demolition projects can be expensive, especially when advanced technologies like demolition robots are used. Regulatory Compliance: Strict regulations must be followed to ensure the safety and environmental sustainability of demolition projects. Time Constraints: In urban areas or infrastructure projects, demolition must often be completed within tight deadlines to minimize disruption. The Future of Construction Demolition The construction demolition industry is rapidly evolving, with new technologies and practices shaping the way projects are executed. Demolition robots are expected to play an even larger role, offering unparalleled efficiency and safety. Additionally, advancements in recycling technologies will enable greater material recovery, reducing the environmental footprint of demolition activities. Sustainability is also becoming a key focus, with more companies adopting deconstruction methods and green demolition practices. These innovations will ensure that demolition continues to support the construction industry while minimizing its impact on the planet. FAQs Here are some frequently asked questions about construction demolition: What is demolition in construction?Demolition in construction is the process of tearing down or removing buildings, structures, or other physical elements to prepare a site for new development. What are demolition robots, and how are they used?Demolition robots are remote-controlled machines designed for precise and efficient demolition tasks, especially in hazardous or confined environments. What are the main types of demolition?The main types include selective demolition, implosion, mechanical demolition, manual demolition, and deconstruction. How is waste managed during demolition?Waste is sorted, recycled, or disposed of in landfills. Sustainable demolition practices prioritize material recovery to minimize environmental impact. What safety measures are taken during demolition?Safety measures include securing the site, using protective equipment, disconnecting utilities, and following strict guidelines to prevent accidents. By understanding the nuances of construction demolition and the role of innovative tools like demolition robots, stakeholders can ensure that projects are completed safely, efficiently, and sustainably. As technology continues to advance, the future of demolition promises to be even more exciting and transformative for the construction industry.
View more

Leave a message

Leave a message
Thank you for visiting Hitech. For further information about our products and business, fill out and submit the form, we'll get back to you as soon as possible.
Submit

Home

Products

About

whatsApp